Die Fenecon Home Sektorenkopplung zur Vaillant Wärmepumpe ist überraschend trivial.
Der Fenecon Home hat ein paar eingebaute Relais, die die (optionale) App auf- und zumachen kann. Die Wärmepumpe hat ein paar Klemmen, die im Normalzustand unbelegt und offen sind. Wenn man ein Relais da rantüdelt und dieses schließt, sieht die Wärmepumpe eine 1, da dann die beiden Pins dann verbunden sind. Wenn die Pins offen sind, ist es eine 0.
SG-Ready hat zwei Bits, was vier Zustände ergibt:
| 0 | 0 | Normalbetrieb |
| 0 | 1 | Einschaltempfehlung |
| 1 | 0 | Sperre |
| 1 | 1 | Einschaltbefehl |
Die Sperre ist für den Heimgebrauch irgendwie Quatsch. Warum sollte eine PV der Wärmepumpe eine Sperre schicken? Für einen Netzbetreiber ergibt das Sinn, aber für zuhause eher nicht. Oder für ganze Harte: wenn ich keinen selbstproduzierten Strom mehr habe und ich absolut keinen kaufen will, friere ich lieber. Oder wenn er bei dynamischen Strompreisen gerade sehr teuer ist. Es mag Anwendungsfälle dafür geben.
Normalbetrieb ist der Zustand wie ohne SG-Ready Anbindung. Es liegt kein Signal an, da keine Pins verbunden sind.
Die Einschaltempfehlung scheint der sinnvolle Status für eine PV-Überschussladung zu sein. In diesem Zustand bringt unsere Vaillant erst den Warmwasserspeicher und anschließend den Heizungsspeicher auf maximale Temperatur, jedenfalls solange das Signal anliegt. Die Heizung unterbricht dabei aber keine definierten Aus-Zeiten oder Nachtabsenkungen.
Der Einschaltbefehl bringt zwangsweise den Warmwasserspeicher und anschließend den Heizungsspeicher auf maximale Temperatur und ignoriert dabei definierte Aus-Zeiten oder Nachtabsenkungen. Das mag für einen Netzbetreiber sinnvoll sein. Wenn ich weiß, daß ich die Anlage heute drosseln muss (Sperre), dann ergibt es Sinn, die Wärme vorher zu speichern, damit es dann beim Kunden nicht kalt wird und er noch Warmwasser im Tank hat. Für den Heimgebrauch finde ich das Ignorieren der hinterlegten Programmierung nicht sinnvoll.
Letztendlich braucht man für zuhause eigentlich nur zwei Modi: Normalbetrieb und Einschaltempfehlung. Da reicht eine Klemme und ein Relais. Dann kann man die anderen Relais noch für was anderes benutzen. Das Setzen des hinteren Bits reicht: dann kann man Normalbetrieb und Einschaltempfehlung ansteuern.
Die Vaillant ArothermPlus kann beides: 1 Signal aka PV-Ready oder 2 Signale aka SG-Ready.
Vaillant hat eine gute Dokumentation: Wärmepumpen einfach und schnell anschließen
PV-Ready:

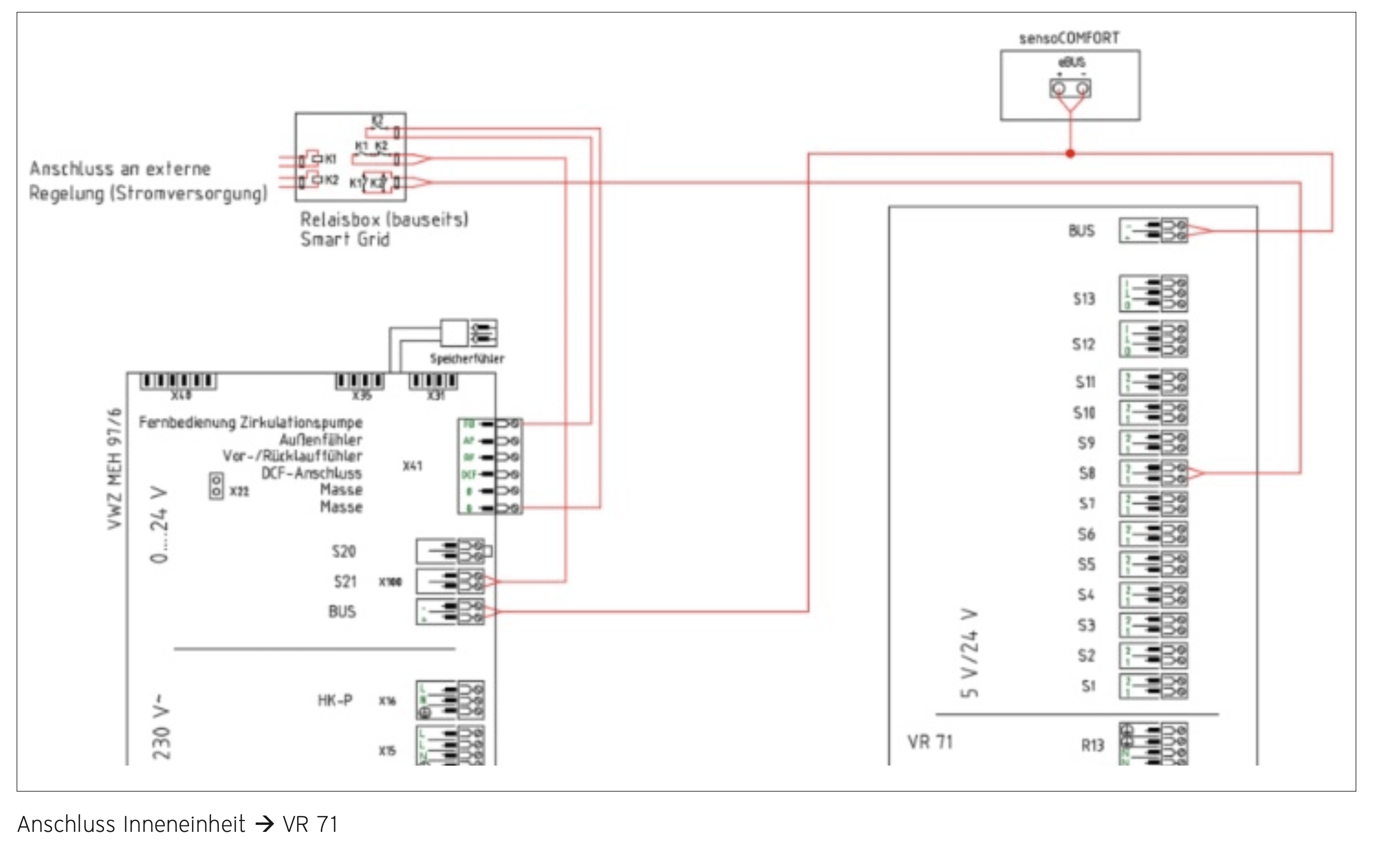
Ein Relais vom Fenecon kommt an FB und OT.
Für SG-Ready braucht man dann noch ein zweites Kabel. Die erste Leitung ist unverändert. Das zweite Relais kommt an den S21 ran.

Die Konfiguration der App ist etwas versteckt. Auf dem Fenecon die FEMS-App-Übersicht öffnen:
Die App auswählen, den Cookie-Hinweis einfach ignorieren und rechts den Button „App Bearbeiten“ auswählen. Dahinter versteckt dich die Konfigurations-Ebene; wer immer sich das wohl ausgedacht hat.

Da kann man dann auswählen, welches Relais wofür verwendet wird.
Wann der Fenecon die Zustände auslöst, lasst sich in der GUI konfigurieren:

Diverse Links zu Fokus zu dem Thema:
- https://www.vaillant.ch/downloads/installationsanleitungen/deutsch/waermepumpen/elektrische-anschluesse/installationsanleitung-elektrische-anschluesse-arotherm-plus-1727522.pdf
- https://www.photovoltaikforum.com/thread/167490-sgready-pvready-mit-vaillant-w%C3%A4rmepumpe-und-senec-wechselrichter/
- https://www.photovoltaikforum.com/core/attachment/7892-sg-ready-w%C3%A4rmepumpen-pdf/
- https://www.haustechnikdialog.de/Forum/t/259807/PV-Anbindung-Vaillant-Arotherm-plus-mit-Shelly1
- https://enphase.com/de-de/download/warmepumpe-vaillant-arotherm-plus-konfigurationsanleitung-fur-iq-energy-router
- https://docs.fenecon.de/de/_/latest/fems/fems-app/OEM_App_SG-ready_Waermepumpe.html
Wenn der Wechselrichter das nicht kann, könnte man die beiden Kontakte in der Vaillant auch an ein Shelly-Relais verbinden und den Shelly aus dem Home-Assistent ansteuern.
















